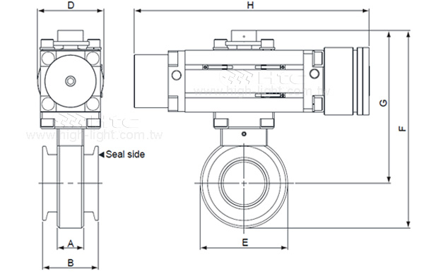
KF type 3-Position butterfly valve
3-Position butterfly Valve
| select | ||
| Model No. | KF40BFV3P | KF50BFV3P |
| Parts No. | 3202131101217 | 3202141101217 |
| A | 27 | 27 |
| B | 57 | 57 |
| D | 68 | 68 |
| E | 80 | 90 |
| F | 191.5 | 202 |
| G | 151.5 | 157 |
| H | 242 | 242 |
| Select | Model No. | Parts No. | A | B | D | E | F | G | H |
| KF40BFV3P | 3202131101217 | 27 | 57 | 68 | 80 | 191.5 | 151.5 | 242 | |
| KF50BFV3P | 3202141101217 | 27 | 57 | 68 | 90 | 202 | 157 | 242 |
SolidWorks 2D & 3D model drawings
| Model No. | KF40BFV3P | KF50BFV3P |
| Parts No. | 3202131101217 | 3202141101217 |
| Download Type | DWG | STEP | DWG | STEP |
All dimensions shown in mm

KF butterfly valve Specifications
l Valve size for 1” to 6”
l Flange:KF
l Pressure Range:10-8 mbar to 1.2 bar
l Leak rate:1x10-9 mbar.l/sec
l Body materials:304 S.S.
l Seal materials:Viton
l Cycle life*:1,500,000
(O-ring on plate is a consumptive material in the butterfly valve, cycle life is 250,000)
l Compressed air pressure : 4 ~ 6 kg/cm2
l Mounting position:Any
l 3-position angle:0~90o
l Temperature:Actuator ≦ 60°C / Body ≦ 120°C
l Compressed air connecter : 2x1/8”NPT+1xM5 (The product comes with throttle valve and air connector)
* The Cycle life of valve is apply to room temperature 25°C and clean environment, and the opening action apply to be less than 10 mbar pressure difference. (If the opening action exceeds the pressure difference of 10 mbar, it is not covered by this guarantee.)