Hard anodized 3 Position Pendulum Valve (Double Acting)
3 Position pendulum valve
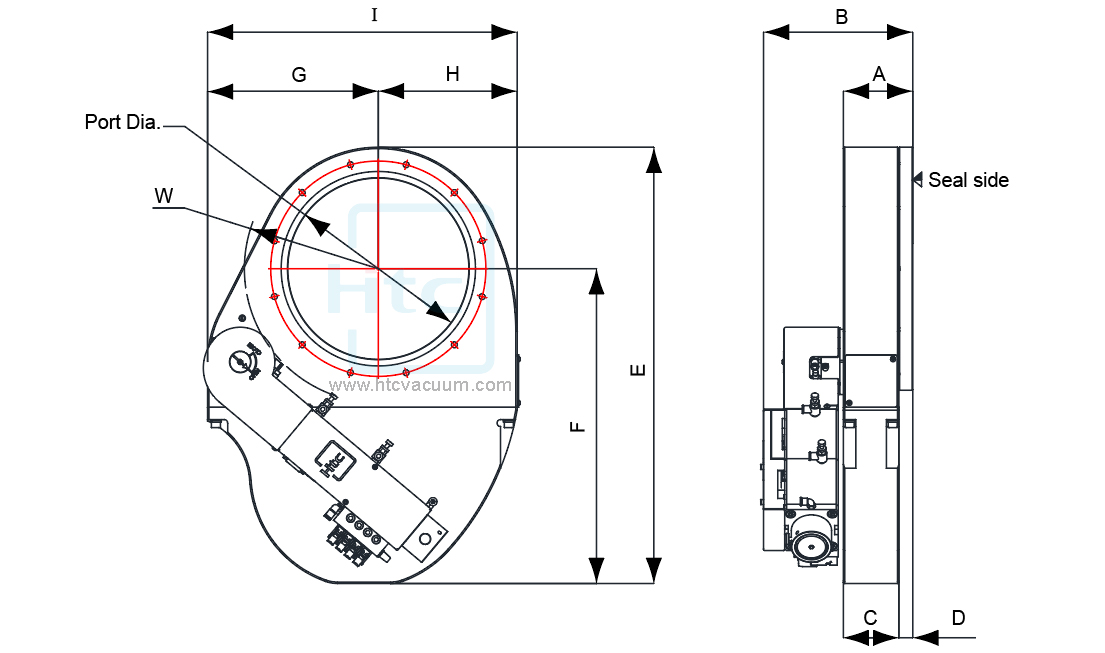
| select | |||
| Model No. | PV3P-HA-ISO200-P2/24VDC | PV3P-HA-ISO250-P2/24VDC | PV3P-HA-ISO320-P2/24VDC |
| Parts No. | GP113C213CB | GP114C213CB | GP115C213CB |
| A | 88 | 100 | 120 |
| B | 171.5 | 215 | 235 |
| C | 72 | 80 | 96 |
| D | 16 | 20 | 24 |
| E | 510 | 628 | 752 |
| F | 360 | 453 | 538 |
| G | 208 | 246 | 231 |
| H | 160 | 200 | 302 |
| I | 368 | 446 | 533 |
| W | R150 | R190 | R230 |
| Bolt Size*No | M10 x 12 | M10 x 12 | M12 x 12 |
| Bolt P.C.D. | 260 | 310 | 395 |
| Bonnet seal | Viton | Viton | Viton |
| Flange O.D. | 300 | 335 | 428 |
| Port Dia. | 200 | 254 | 318 |
| Thread Depth | 16 | 16 | 18 |
| Select | Model No. | Parts No. | A | B | C | D | E | F | G | H | I | W | Bolt Size*No | Bolt P.C.D. | Bonnet seal | Flange O.D. | Port Dia. | Thread Depth |
| PV3P-HA-ISO200-P2/24VDC | GP113C213CB | 88 | 171.5 | 72 | 16 | 510 | 360 | 208 | 160 | 368 | R150 | M10 x 12 | 260 | Viton | 300 | 200 | 16 | |
| PV3P-HA-ISO250-P2/24VDC | GP114C213CB | 100 | 215 | 80 | 20 | 628 | 453 | 246 | 200 | 446 | R190 | M10 x 12 | 310 | Viton | 335 | 254 | 16 | |
| PV3P-HA-ISO320-P2/24VDC | GP115C213CB | 120 | 235 | 96 | 24 | 752 | 538 | 231 | 302 | 533 | R230 | M12 x 12 | 395 | Viton | 428 | 318 | 18 |
SolidWorks 2D & 3D model drawings
| Model No. | PV3P-HA-ISO200-P2/24VDC | PV3P-HA-ISO250-P2/24VDC | PV3P-HA-ISO320-P2/24VDC |
| Parts No. | GP113C213CB | GP114C213CB | GP115C213CB |
| Download Type | DWG | STEP | DWG | STEP | DWG | STEP |
Note: Please [Right click] and select [Save link as]. Wait a moment and the archive window appears.
Pneumatically Actuated
Attached Reed Sensor & Solenoid Standard
Surface Treatment: hard anodized
|--with reed sensors , with standard solenoid voltage DC24V