ISO-K バターフライバルブ-手動式
Htc-バターフライバルブ-手動式
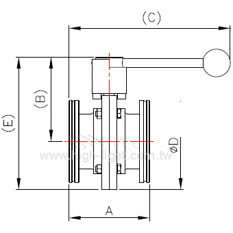
| select | |||
| Model No. | ISO63BFV | ISO80BFV | ISO100BFV |
| Parts No. | 3202152103111 | 3202162103111 | 3202182103111 |
| A | 93.2 | 95.2 | 83.2 |
| B | 96.6 | 103.8 | 113 |
| C | 191.6 | 192.6 | 203.6 |
| D | 112 | 125 | 160 |
| E | 152.6 | 166.3 | 193 |
| Connector | ISO63 | ISO80 | ISO100 |
| Size | 2.5” | 3.0” | 4.0” |
| Select | Model No. | Parts No. | A | B | C | D | E | Connector | Size |
| ISO63BFV | 3202152103111 | 93.2 | 96.6 | 191.6 | 112 | 152.6 | ISO63 | 2.5” | |
| ISO80BFV | 3202162103111 | 95.2 | 103.8 | 192.6 | 125 | 166.3 | ISO80 | 3.0” | |
| ISO100BFV | 3202182103111 | 83.2 | 113 | 203.6 | 160 | 193 | ISO100 | 4.0” |
ISO バターフライバルブ規格
- Vバルブサイズ:2.5”(63)から4"(100) まで
- フランジ:ISO-K
- 圧力範囲: 1atm(大気圧) ~ 1x10-4mbar
- リークレート: 5x10-7mbar.l/s
- ボディー材質:304 S.S.
- シール材質:EPDM
- サイクルライフ:千回